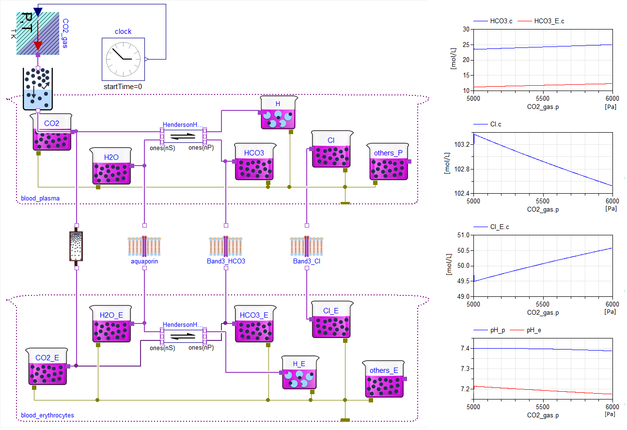
The mature red blood cell (erythrocyte) is the simplest cell in the human body. Its primary function is the transportation of blood gases, such as oxygen O2 (from the lungs to tissues) and carbon dioxide CO2 (from tissues to the lungs). The chemical processes behind the gases’ transportation are complex because the capacity of water to transport their freely dissolved forms is very low. To transport sufficient amounts of O2 and CO2, the gases must be chemically bound to hemoglobin such as described in (Mateják, et al., 2015) and/or transported as different substances, which can be present in water in much higher concentrations than their freely dissolved forms allow. Therefore, to transport a sufficient amount of CO2, it must be changed to HCO3- using the chemical reaction:
|
CO2 + H2O <-> HCO3- + H+ |
(1) |
|---|
This reaction takes place mainly inside the red blood cell, because
only here it is presented with the enzyme carbonic anhydrase.
Therefore, the increase of total carbon dioxide content of blood in
tissues and its decrease in lungs are always connected with the
chloride shift between blood plasma and the intracellular fluid of
erythrocytes, as represented in followin Figure:

Figure: Chloride shift with carbon dioxide hydration with assumption of non-bicarbonate linear acid-base buffering properties of plasma and erythrocytes.
The blood plasma and intracellular fluid are divided by the
cellular membrane composed of a special, very compact lipid
double-layer. A lipophobic compound (not soluble in lipids) cannot
cross the membrane without special proteins called membrane
channels. Even water molecules must have membrane channels (called
aquaporins) in order to cross the cellular membrane. In addition,
the chloride shift (also known as the Hamburger shift) is
exchanging an aqueous chloride Cl- for an aqueous
bicarbonate HCO3- in both directions across
the cellular membranes of red blood cells using the membrane
channel “Band 3”. Each passive membrane channel only allows the
equilibration of the electrochemical potentials of the specific
permeable ions on both sides of membrane. The different electric
potentials on each side of membrane allow their different
concentrations to achieve equilibrium.
Conversely, the solution’s equilibrium of different ions’ compositions on both sides of the membrane creates the measurable electric membrane potential. This process is not so intuitive, because even though neither solution needs to have an electric charge, there can be a non-zero electric potential for permeable ions. This potential for permeable ions at equilibrium is called the Nernst membrane potential and, in the Chemical library, it is a direct mathematical result of the equality of the electrochemical potential of the ion in both solutions.
The intracellular solution must be set at the possible nonzero electric potential (ElectricalGround=false) because, as a result, the membrane potential of the erythrocytes is calculated as -12mV, which agrees with experimental data by Gedde and Huestis (Gedde and Huestis, 1997) in the electrolytes’ setting by Raftos et al. (Raftos, et al., 1990).
In this way, it is possible to model more complex processes of a membrane where chemical reactions of active membrane channels or membrane receptors can both be used.
CO2 in blood with linear H+ non-bicarbonates buffering without
binding to hemoglobin.
The buffer values 0.063 mmol/L commes from Siggaard-Andersen.
2014-2018
Marek Matejak, Charles University, Prague, Czech Republic