.Modelica.Electrical.PowerConverters.DCDC.HBridge

H bridge (four quadrant converter)

Information

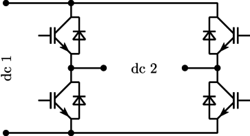
The H bridge is a four quadrant DC/DC converter. It consists of two single-phase DC/AC converters which are controlled differently; see Fig. 1.

Fig. 1: H bridge

If the firing inputs fire_p and fire_n are inverse, the two legs are controlled symmetrically so that full positive or negative output voltage can be generated. See examples DCDC.HBridge.

Note

In the first version, the following signal connections were implementented:

Therefore the two fire signal had be supplied complentary to avoid a short circuit on the source.

In the enhanced version, the following signal connections are implementented:

Therefore a short circuit on the source is avoided intrinsically.

If both versions are provided with the same (complementary) fire signals, identical results are obtained. Additionally, two more switching states are possible: fire_p = fire_n = true (which means switching on both upper switches) and fire_p = fire_n = false (which means switching on both lower switches).


Generated at 2026-05-21T20:35:28Z by OpenModelicaOpenModelica 1.26.7 using GenerateDoc.mos