
The Contributions to further advance the library are welcomed.
Contributions may not only be in the form of model development, but
also through model use, model testing, requirements definition or
providing feedback regarding the model applicability to solve
specific problems.dhcSim library is a free open-source library
with basic models to allow dynamic sumlation of complex district
heating and cooling (DHC) networks. It was developed to ease the
modeling of complex DHC systems from two level concepts (supply and
return) up to a large number of parallel network levels. This
library was developed supplementary to the Modelica Buildings
Library. The dhcSim aims to provide a simple and clear model
structure that is user-friendly and applicable to many custom
network concepts. This library can be used for smaller as well as
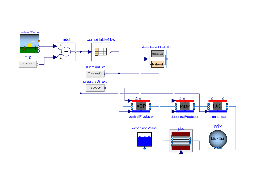
significantly larger DHC networks. The figure below shows a section
of the schematic view of the model

Version: 1
Contents
DHC
Fluid
Utilities
Controls
Weather
Data
Types
testfield
| Name | Description |
|---|---|
| Package of district heating and cooling components | |
| Package with models for fluid flow systems | |
| Package with utility functions such as for I/O | |
| Package with models for controls | |
| Weather simulation tools | |
| Package with type definitions | |